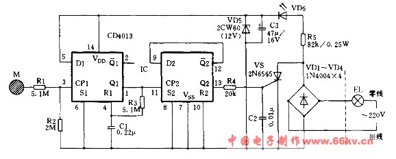
CD4013有两个D触发器,一个D触发器有6个端子:2个输出,4个控制。4个控制分别是R、S、CP、D。引脚图如下:
CD4013是双D触发器,分别接成一个单稳态电路和一个双稳态电路。单稳态电路的作用是对触摸信号进行脉冲展宽整形,保证每次触摸动作都可靠。双稳态电路用来驱动晶闸管VS。当人手摸一下M,人体泄漏的交流电在电阻R2上的压降,其正半周信号进入③脚CP1端,使单稳态电路翻转进入暂态.其输出端Q1即①脚跳变为高电平,此高电平经R3向C1充电,使④ 电位上升,当上升到复位电平时,单稳态电路复位,①脚恢复低电平。所以每触摸一次M,①脚就输出一个固定宽度的正脉冲。此正脉冲将直接加到11脚CP2端,使双稳态电路翻转一次,其输出端Q2即13脚电平就改变一次。当13脚为高电平时.VS开通,电灯EL点亮。这时电容C3两端的电压会跌落到3V左右,发光管VD6熄灭,由于CMOS电路的微功耗特点,所以集成块仍能正常工作。当13脚输出低电平时。VS失去触发电流,当交流电过零时即关断,EL熄灭。这时C3两端电压又恢复到VD5的稳压值12V,VD6发光用来指示开关的位置。
由此可见,每触摸一次M,就能实现电灯“开”或“关”,它对外也仅两根引出线,故安装与使用都十分方便。 |