| 图1和图2是采用NE555时基电路制作的双键触摸开关与单键触摸延迟开关。图1中M1是“开”触摸片,当人手触碰时,人体感应的杂波信号加到时基电路的低电平触发端IC的②脚,电路置位,③脚输出高电平,继电器K得电吸合,其常开触点闭合,被控电器通电工作。M2为“关”触摸片,一旦触碰,人体感应的杂波信号加到555的阈值端IC⑥,电路复位,③脚输出低电平,继电器失电跳闸,被控电器停止工作。  
 图2是延迟开关电路,555集成块接成单稳态触发器,平时处于复位状态,继电器K不动作。当M受到触摸时,电路被触发进人暂态,③脚输出高电平,继电器K吸合,被控电器工作。暂态时间t=1.1R2 X C4,暂态时间结束,电路翻转成稳态,继电器K释放,被控电器停止工作。  
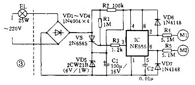
 图3是一个电源电路采取特殊设计的用555时基电路制作而成的触摸开关,它对外仅两根引出线,因此可直接取代普通开关而不必更改电源布线。EL是不大于25W的白炽灯或交流接触器。虚线左部为普通照明线路,右部为触摸开关电路。IC处于复位状态时,③脚输出低电平,晶闸管VS的门极通过电阻R3被钳位在低电平,故VS关断,EL不亮,此时555的工作电源由220V交流电经灯EL、二极管VD1~VD4整流、电阻R2限流、VD5稳压与IC1滤波获得约6V直流工作电压供电。当 555时基电路②脚受触发处于置位时,IC③脚输出高电平,VS开通,EL点亮发光。VS开通后,555工作电源直接由灯EL、二极管VD1~VD4、晶闸管VS与稳压管VD5构成回路,C1两端仍能获得6V直流工作电压,只是此时电阻R2不起作用。  
 电路的右部时基电路部分与图1相同,如将图2左部电源按图3改动,也可以方便地制  成一个对外只有两根引  出线的触摸延迟开关。  有一点需要特别注意的是本电路的负载能力是由VD1~VD4、VS及VD5共同决定的,其中薄弱环节是VD5,本电路VD5采用1W、6V的稳压管,其最大通态电流为0.16A,为确保电路可靠工作,EL宜用不大于25W的白炽灯。 |